06/11/2025
Tóm tắt
Nghiên cứu trình bày kết quả thiết kế, xây dựng và đánh giá hiệu quả của hệ thống xử lý nước thải sinh hoạt (NTSH) quy mô cụm dân cư tại thôn Nà Chiềng, xã Mai Châu, tỉnh Phú Thọ. Mô hình được áp dụng cho 20 hộ dân (44 nhân khẩu) với công suất xử lý khoảng 5 m³/ngày, đêm, bao gồm các mô-đun: Bể tách dầu mỡ, bể kỵ khí, bể hiếu khí, bể khử trùng và bể lắng - lọc. Vật liệu chế tạo là composite cốt sợi thủy tinh (FRP) có ưu điểm nhẹ, bền, chống ăn mòn, dễ chế tạo và lắp đặt tại khu vực nông thôn. Kết quả quan trắc sau 3 tháng vận hành cho thấy nước thải sau xử lý đạt QCVN 14:2008/BTNMT (cột B), với hiệu suất loại bỏ BOD₅, COD, TSS đạt 70 - 90% và Coliforms đạt trên 95%. Hệ thống giúp cải thiện chất lượng nước thải đầu ra, giảm thiểu ô nhiễm môi trường nước mặt và nước ngầm, đồng thời có thể tái sử dụng nước sau xử lý cho tưới cây, rửa đường và cải tạo cảnh quan. Ngoài ra, mô hình có nhiều ưu điểm: Chi phí đầu tư thấp, vận hành đơn giản, phù hợp với điều kiện kinh tế - xã hội nông thôn; thời gian lắp đặt ngắn (3 - 5 ngày); dễ dàng nhân rộng cho 15 - 50 hộ dân. Kết quả nghiên cứu cho thấy, hệ thống là giải pháp khả thi để đáp ứng tiêu chí môi trường trong xây dựng nông thôn mới, góp phần BVMT, nâng cao sức khỏe cộng đồng và hỗ trợ phát triển du lịch sinh thái bền vững.
Từ khóa: Xử lý NTSH, cụm dân cư nông thôn, bể kỵ khí, QCVN 14:2008/BTNMT.
Ngày nhận bài: 2/7 /2025; Ngày sửa chữa: 5/8/2025; Ngày duyệt đăng: 20/8/2025.
A DECENTRALIZED DOMESTIC WASTEWATER TREATMENT SYSTEM TO MEET ENVIRONMENTAL CRITERIA OF THE NEW RURAL COMMUNE PROGRAM IN MAI CHAU, PHU THO
Abstract
This study presents the design, construction, and effectiveness evaluation of a domestic wastewater treatment system at the residential cluster scale in Na Chiêng Hamlet, Mai Chau District, Phu Tho Province. The model was applied to 20 households (44 inhabitants) with a treatment capacity of approximately 5 m³/day, comprising several modules: a grease trap, an anaerobic tank, an aerobic tank, a disinfection unit, and a sedimentation-filtration unit. The system was fabricated from fiber-reinforced composite (FRP), which has advantages of being lightweight, durable, corrosion-resistant, and easy to manufacture and install in rural areas. Monitoring results after three months of operation showed that the treated effluent met QCVN 14:2008/BTNMT (Column B), with removal efficiencies of 70 - 90% for BOD₅, COD, and TSS, and more than 95% reduction in Coliforms. The system improved effluent quality, reduced pollution of surface and groundwater sources, and allowed reuse of treated water for irrigation, road washing, and landscaping. The model offers several advantages: low investment cost, simple operation, suitability for rural socio-economic conditions, short installation time (3 - 5 days), and scalability for 15 - 50 households. The results demonstrate that this system is a feasible solution to meet environmental criteria in the new rural development program, contributing to environmental protection, improving public health, and supporting sustainable eco-tourism development.
Keywords: Domestic wastewater; rural residential cluster; anaerobic tank; QCVN 14:2008/BTNMT.
JEL Classifications: O13, O44, P18.
1. ĐẶT VẤN ĐỀ
Trong những năm gần đây, cùng với tiến trình công nghiệp hóa - hiện đại hóa và chương trình xây dựng nông thôn mới, đời sống kinh tế - xã hội ở khu vực nông thôn Việt Nam, trong đó có tỉnh Hòa Bình (nay là tỉnh Phú Thọ), đã có nhiều cải thiện rõ rệt. Tuy nhiên, sự gia tăng dân số, phát triển sản xuất, dịch vụ và du lịch cộng đồng lại kéo theo lượng NTSH phát sinh ngày càng lớn, trong khi hệ thống thu gom, xử lý tập trung ở vùng nông thôn, đặc biệt miền núi, gần như chưa tồn tại. Hiện nay, phần lớn nước thải từ hộ gia đình và cụm dân cư chỉ được xử lý sơ bộ qua hầm tự hoại hoặc hầm biogas (đối với hộ chăn nuôi) trước khi xả trực tiếp ra môi trường, dẫn tới ô nhiễm nguồn nước cụ thể: Báo cáo môi trường quốc gia năm 2023 cho thấy các năm 2020 - 2022 ghi nhận dấu hiệu ô nhiễm bởi chất hữu cơ và dinh dưỡng, giá trị các thông số COD, BOD5 và amoni đã chạm hoặc vượt nhẹ giá trị giới hạn của QCVN 08-MT:2015/BTNMT (cột A2) nước ngầm.
Theo Bộ tiêu chí quốc gia về xã nông thôn mới (NTM) giai đoạn 2021 - 2025, tiêu chí môi trường về NTSH được quy định cụ thể theo từng mức độ đạt chuẩn. Đối với xã đạt chuẩn NTM nâng cao yêu cầu tỷ lệ hộ gia đình thực hiện thu gom, xử lý nước thải sinh hoạt bằng biện pháp phù hợp, hiệu quả đạt tối thiểu 25% đối với vùng Trung Du và miền núi phía Bắc và hơn 50% đối với vùng đồng bằng sông Hồng.
Tuy nhiên, trong quá trình triển khai tiêu chí môi trường về NTSH tại khu vực nông thôn, nhiều khó khăn và thách thức vẫn còn tồn tại. Trước hết, hạ tầng kỹ thuật còn hạn chế khi phần lớn các xã chưa có hệ thống xử lý tập trung, cống rãnh thoát nước thiếu đồng bộ và thường xuyên xuống cấp, gây ứ đọng, ô nhiễm cục bộ. Bên cạnh đó, nguồn lực đầu tư cho công trình xử lý còn hạn hẹp trong khi chi phí xây dựng, vận hành khá lớn; chưa có nhiều mô hình công nghệ xử lý quy mô nhỏ, chi phí thấp phù hợp điều kiện nông thôn. Về mặt xã hội, nhận thức của người dân còn hạn chế, nhiều hộ vẫn xả thải trực tiếp ra môi trường, tỷ lệ hộ có công trình xử lý hợp vệ sinh đạt chuẩn còn thấp. Công tác quản lý, giám sát chất lượng nước thải tại cấp xã, thôn chưa chặt chẽ, thiếu thiết bị quan trắc, thiếu nhân lực chuyên môn và cơ chế chế tài đủ mạnh. Ngoài ra, sự phát triển của làng nghề và du lịch cộng đồng làm khối lượng nước thải phát sinh ngày càng lớn, nhiều nơi thải lẫn chất thải sinh hoạt và sản xuất, gây khó khăn cho xử lý. Đặc biệt, việc đáp ứng quy chuẩn kỹ thuật quốc gia (QCVN 14:2008/BTNMT) còn là thách thức do các công nghệ tiên tiến cần chi phí cao, trong khi chưa phổ biến được giải pháp công nghệ đơn giản, dễ vận hành và phù hợp với điều kiện nông thôn.
Trong thực tiễn, một số công nghệ đã chứng minh được tính phù hợp và khả năng đáp ứng yêu cầu xử lý NTSH nông thôn như bể tự hoại cải tiến kết hợp lọc kỵ khí, bãi lọc trồng cây nhân tạo, hồ sinh học, mương ôxy hóa, bể lọc sinh học nhỏ giọt và mô hình biogas kết hợp xử lý nước thải chăn nuôi - sinh hoạt… (Trần Đức Hạ, 2018). Các giải pháp này có ưu điểm là chi phí đầu tư và vận hành thấp, dễ áp dụng tại hộ gia đình hoặc cụm dân cư nhỏ, đồng thời thân thiện môi trường và ít đòi hỏi kỹ thuật phức tạp. Ngược lại, các công nghệ truyền thống như bể tự hoại 2 ngăn chỉ xử lý sơ bộ, nước thải sau xử lý chưa đạt quy chuẩn QCVN 14:2008/BTNMT, trong khi các công nghệ tiên tiến như MBR, SBR, AAO hay các phương pháp hóa - lý tuy cho hiệu quả cao nhưng chi phí đầu tư, vận hành lớn, đòi hỏi kỹ thuật chuyên môn và quản lý tập trung nên khó áp dụng rộng rãi tại nông thôn.
Khảo sát của Viện Môi trường Nông nghiệp (2024) cho thấy, tình trạng thu gom và xử lý nước thải (1) thiếu hệ thống thu gom nước thải tập trung: Đa phần nước thải không được thu gom mà xả thẳng ra môi trường. (2) Bể tự hoại không đạt chuẩn: Khoảng 60-70% hộ gia đình có bể tự hoại nhưng nhiều bể bị rò rỉ hoặc không đảm bảo xử lý hiệu quả. (3) Ô nhiễm môi trường nghiêm trọng: Nước thải chưa qua xử lý làm ô nhiễm sông, suối, ao hồ, làm gia tăng tỉ lệ bệnh tật, suy giảm chất lượng cuộc sống (Đặng Phương Lan, 2024). Chính vì vậy, với nghiên cứu xây dựng hệ thống xử lý NTSH cho cụm dân cư cấp thôn ở quy mô nhỏ dễ vận hành nhằm giải quyết ô nhiễm, nâng cao chất lượng sống và phát triển du lịch bền vững.
2. PHƯƠNG PHÁP NGHIÊN CỨU
2.1. Địa điểm nghiên cứu
Thôn Nà Chiềng, xã Nà Phòn, huyện Mai Châu, tỉnh Hòa Bình (nay là thôn Nà Chiềng, xã Mai Châu, tỉnh Phú Thọ).
Quy mô: 20 hộ dân
2.2. Phương pháp nghiên cứu
- Phương pháp lấy mẫu phân tích chất lượng NTSH nông thôn trước và sau xử lý theo TCVN 6663-1:2011 - Chất lượng nước - Lấy mẫu - Phần 1: Hướng dẫn lập chương trình lấy mẫu và kỹ thuật lấy mẫu.
Phương pháp phân tích mẫu nước thải: Các chỉ tiêu theo QCVN 14:2008/BTNMT bao gồm: TCVN 6492-1999 (ISO 10523-1994) - Chất lượng nước cụ thể.
|
STT |
Chỉ tiêu |
Phương pháp phân tích |
|
1 |
pH |
TCVN 6001-1995 (ISO 5815-1989) |
|
2 |
BOD5 |
Cấy và pha loãng; TCVN 6625-2000 (ISO 11923-1997) |
|
3 |
TSS |
Lọc qua cái lọc sợi thủy tinh; TCVN 6053-1995 (ISO 9696-1992) |
|
4 |
Tổng chất rắn hòa tan (TDS) |
TCVN 4567-1988 |
|
5 |
Sunphua và sunphát |
TCVN 5988-1995 (ISO 5664-1984) |
|
6 |
Amoni |
Phương pháp chưng cất và chuẩn độ; TCVN 6180-1996 (ISO 7890-3-1988) |
|
7 |
Nitrat |
TCVN 6180-1996 (ISO 7890-3-1988) - Chất lượng nước - Xác định nitrat - Phương pháp trắc phổ dùng axit sunfosalixylic |
|
8 |
Xác định chất hoạt động bề mặt Anion |
Đo phổ Metylen xanh; TCVN 6494-1999 |
|
9 |
ion Florua, Clorua, Nitrit, Orthophotphat, Bromua, Nitrat và Sunfat hòa tan |
Bằng sắc ký lỏng ion; TCVN 6187-1-1996 (ISO 9308-1-1990) |
|
10 |
Phát hiện và đếm vi khuẩn coliform, vi khuẩn coliform chịu nhiệt và Escherichia coli giả định |
Phần 1: Phương pháp màng lọc; TCVN 6187-2:1996 (ISO 9308-2:1990) Chất lượng nước Phần 2: Phương pháp nhiều ống; Phương pháp xác định tổng dầu mỡ thực hiện theo US EPA Method 1664 Extraction and gravimetry (Oil and grease and total petroleum hydrocarbons) |
3. Kết quả nghiên cứu và thảo luận
3.1.1. Thiết kế hệ thống thu gom NTSH
Kết quả khảo sát địa hình cho thấy, cụm dân cư được lựa chọn tham gia mô hình nằm trên trục đường chính đi vào khu chợ và điểm du lịch cộng đồng thôn Nà Chiềng, xã Mai Châu, tỉnh Phú Thọ. Cạnh trục đường chính này có mương thoát nước mưa đã được địa phương xây dựng bằng gạch, đá và bê tông hóa một phần. Chức năng của mương thoát nước mưa này là một phần của hệ thống tiêu thoát nước mưa của toàn bộ khu dân cư thuộc thôn Nà Chiềng, xã Mai Châu.
Hiện trạng NTSH của cụm dân cư được lựa chọn triển khai mô hình được xả thải trực tiếp xuống mương thoát nước mưa này; NTSH của dân cư được trộn với nước mưa chày ra làm ô nhiễm môi trường xung quanh.
Dựa trên kết quả khảo sát địa hình thực tế và làm việc trực tiếp với đại diện chính quyền địa phương (đại diện là trưởng thôn Nà Chiềng và UBND xã Mai Châu) và các hộ dân tham gia dự án; nhóm nghiên cứu thiết kế phương án hệ thống thu gom NTSH được thiết kế đặt rìa đường nằm trong lòng của mương thoát nước mưa, vị trí đặt đường ống cao hơn so với hiện trạng của hệ thống xử lý nước thải đảm bảo cho dòng chảy của NTSH tự chảy vào hệ thống xử lý nước thải, đồng thời thu gom được toàn bộ NTSH của các hộ dân tham gia mô hình.
- Trục thu gom nước thải:
Thiết kế gồm đường trục chính thu gom toàn bộ NTSH của 20 hộ dân của cụm dân cư sinh sống trên địa bàn. Qua quá trình khảo sát địa hình, nhóm nghiên cứu thiết kế toàn bộ đường ồng thu gom theo nguyên tắc nước tự chảy, tạo mỗi điểm đầu và điểm cuối của đường ống có độ dốc chênh lệch 5 - 10%.
+ Tuyến 1: Đường trục chính có chiều dài 130 m đến đoạn ngã ba của cụm dân cư được đặt cút 900 rẽ trái sang đường rẽ vào sân vận động và nhà văn hóa của thôn.
+ Tuyến 2: Từ ngã ba rẽ đoạn ống thi công có tổng chiều dài 40 m đến cửa nhà văn hóa thôn.
+ Tuyến 3: Từ ngã cửa nhà văn hóa thôn, đặt cút 900 để nối đường ống thu gom về trạm xử lý NTSH của cụm dân cư. Toàn bộ chiều dàu của tuyến này là 80 m.
Thiết kế từ đầu tuyến 1 đến cuối tuyến 1 độ dốc chênh lệch 10%; từ đầu tuyến 2 đến cuối tuyến 2 độ dốc chênh lệch 7% và từ đầu tuyến 3 đến cuối tuyến 3 độ dốc chênh lệch 5%. Đường trục chính được thiết kế bằng ống nhựa PVC, đường kính ống là 160 mm.
Các tuyến đường ống thu gom nước thải được thiết kế đặt trên mép rãnh thoát nước mưa của toàn bộ cụm dân cư. Đường ống được thiết kế cố định trực tiếp vào bờ tường của rãnh thoát nước này.
- Trục thi gom nước từ các hộ dân: Trên các tuyến thu gom nước thải từ các hộ dân được thiết kế các T nối ống; các T nối ống có đường kính 160 mm thu về các đường gom đường kihs ống 110 mm. Các đường gom này được đấu nối với vị trí xả thải nước sinh hoạt của từng hộ dân.
+ Tuyến 1: Đấu nối với đường xả thải nước sinh hoạt của 14 hộ dân.
+ Tuyến 2: Đấu nối với đường xả thải nước sinh hoạt của 3 hộ dân.
+ Tuyến 3: Đấu nối với đường xả thải nước sinh hoạt của 3 hộ dân.
Sơ đồ bố trí mặt bằng được thể hiện như hình vẽ sau:

Hình 1. Thiết kế sơ đồ mặt bằng bố trí hệ thống thu gom NTSH của mô hình
Ghi chú: 1 - Đường trục chính thu gom nước thải của toàn bộ 20 hộ dân; 2 - đường nối thu gom NTSH từ các điểm xả thải nước sinh hoạt của 20 hộ dân đến đường thu gom NTSH của cụm dân cư
3.1.2. Thiết kế hệ thống xử lý NTSH
(1) Hiện trạng NTSH của 20 hộ dân:
- Nguồn phát sinh: NTSH tại cụm dân cư chủ yếu từ các hoạt động tắm giặt, nấu nướng, vệ sinh của hộ gia đình; ngoài ra còn có nước thải từ dịch vụ nhỏ (ăn uống, du lịch cộng đồng) và chăn nuôi hộ gia đình.
- Quy mô dân cư: Cụm dân cư thôn Nà Chiềng, xã Mai Châu, tỉnh Phú Thọ gồm khoảng 20 hộ dân với khoảng 44 nhân khẩu.
- Lượng thải: Trung bình mỗi người thải 60 - 100 lít/ngày, tổng lưu lượng ước tính khoảng 2,64 m3 đến 4,4 m3/ngày, đêm.
(2) Thiết kế hệ thống:
Dựa trên nguyên lý hoạt động của hệ thống xử lý NTSH và tổng lưu lượng tối đa cho 20 hộ lên đến 4,4 m3/ngày, đêm, nhóm nghiên cứu đã thiết kế hệ thống xử lý nước thải với công suất 5 m3/ngày, đêm, toàn bộ hệ thống xử lý NTSH của cụm dân cư là 73 m3, trong đó:
Bảng 1. Danh mục các hạng mục của hệ thống xử lý nước thải cụm dân cư thôn Nà Chiềng, xã Mai Châu, tỉnh Phú Thọ
|
STT |
Loại bể |
Số lượng (bể) |
Dung tích (m3) |
Chức năng |
|
1 |
Bể tách dầu mỡ |
1 |
3 |
Tách dầu mỡ NTSH |
|
2 |
Bể kỵ khí |
6 |
42 |
Xử lý kỵ khí NTSH |
|
3 |
Bể hiếu khí |
2 |
14 |
Xử lý hiếu khí NTSH |
|
4 |
Bể lắng lọc |
1 |
7 |
Lắng, lọc các chất hữu cơ |
|
5 |
Bể khử trùng |
1 |
7 |
Diệt khuẩn |
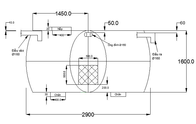
Các bể được thiết kế dạng hình trụ nằm ngang, vật liệu chế tạo là composite + sợi thủy tinh, ưu điểm của hệ thống bể thiết kế là dễ dàng thi công, lắp đặt.
+ Thiết kế bể tách dầu mỡ
Thiết kế bể tách dầu mỡ gồm 2 ngăn chính có 2 cửa mở riêng biệt. Ngăn chứa rác, ngăn lọc mỡ và ngăn chứa nước sạch. NTSH có chứa một lượng dầu, mỡ tương đối lớn sẽ được đưa vào ngăn chứa thứ nhất thông qua sọt rác được thiết kế bên trong, cho phép giữ lại các chất bẩn như các loại thực phẩm, đồ ăn thừa, xương hay các loại tạp chất khác... có trong nước thải. Chức năng này giúp cho bể tách mỡ làm việc ổn định mà không bị nghẹt rác. Sau đó nước thải đi sang ngăn thứ hai, ở đây thời gian lưu dài đủ để mỡ, dầu nổi lên mặt nước. Còn phần nước trong sau khi mỡ và dầu đã tách ra lại tiếp tục đi xuống đáy bể và chảy ra ngoài. Lớp dầu mỡ sẽ tích tụ dần dần và tạo lớp váng trên bề mặt nước, định kỳ chúng ta xả van để loại bỏ lớp dầu mỡ. Nước thải sau bể tách dầu mỡ sẽ được đưa về khu xử lý NTSH. Tại ngăn thứ 2, được coi như một điểm của bể điều hòa để xác định các thông số của nước thải cần xử lý, đặc biệt là điều kiện pH của nước thải. Để xác định điều kiện pH của nước thải có phù hợp hay không, cần kiểm tra điều biện và bổ sung các yếu tố axit hoặc kiểm để đảm bảo nước thải đạt trung tính trước khi vào hệ thống xử lý.
|
|
|
|
Hình 2. Bản vẽ thiết kế bể tách dầu mỡ dung tích 3 m3 |
Hình 3. Bản vẽ mặt cắt đứng thiết kế bể tách dầu mỡ dung tích 3 m3 |
+ Thiết kế modun bể xử lý NTSH kỵ khí. Mô đun xử lý NTSH kỵ khí được thiết kế gồn 6 bể compssite được mắc nối tiếp với nhau bằng đường ống Ø160 mm. Các bể được thiết kế giống nhau và thực hiện các chức năng theo các công đoạn xử lý.

Hình 4. Thiết kế mặt cắt đứng bể composite dung tích 7 m3
Mô đun 6 bể kỵ khí được mắc nối tiếp nhau, nước thải từ trục chính được chảy vào bể thứ nhất xuống tận đáy bể, sau đó được nối tiếp với bể thứ 2. Nước thải từ bể thứ nhất sang bể thứ 2 cũng được đưa xuống tận đáy bể, tương tự như thế các bể từ thứ 3 đến thứ 6 dòng nước thải được mắc nối tiếp nhau và đi theo nguyên lý nước vào từ dưới đáy bể.

Hình 5. Thiết kế mô hình modun 6 bể kỵ khí xử lý NTSH
+ Thiết kế modun hệ thống xử lý NTSH hiếu khí:
Mô đun xử lý NTSH hiếu khí được thiết kế gồm 2 bể compssite được mắc nối tiếp với nhau bằng đường ống Ø160 mm. Các bể được thiết kế giống nhau và có kích thước, hình dạng và kích thước, thiết kế giống như bể kỵ khí. Tại modun này, nhóm nghiên cứu thiết kế thêm bộ sục khí nhằm bổ sung ôxy vào trong quá trình xử lý. Mỗi bể được lắp đặt 2 đĩa chia khí và hệ thống cung cấp chế phẩm vi sinh vật vào từng bể.

Hình 6. Thiết kế modun 2 bể hiếu khí của hệ thống xử lý hiếu khí
Ghi chú: 1- Bể hiếu khí số 1; 2- Bể hiếu khí số 2; 3- đường ống cấp khí vào hệ thống
+ Hệ thống khử trùng
Mô đun khử trùng NTSH sau xử lý được thiết kế gồm 1 bể composite được mắc nối tiếp với hệ thống xử lý hiếu khí bằng đường ống Ø160 mm. Bể được thiết kế giống nhau và có kích thước, hình dạng và kích thước, thiết kế giống như bể kỵ khí. Tại modun này, nhóm nghiên cứu thiết kế thêm hệ thống đường ống bổ sung hóa chất khử trùng.

Hình 7. Thiết kế hệ thống khử trùng
Ghi chú: 1- Bể khử trùng; 2 - đường ống cung cấp hóa chất khử trùng
+ Hệ thống lắng lọc
Mô đun lắng, lọc NTSH sau xử lý được thiết kế gồm 1 bể compssite được mắc nối tiếp với hệ thống khử trùng bằng đường ống Ø160 mm. Bể được thiết kế giống nhau và có kích thước, hình dạng, kích thước, thiết kế giống như bể kỵ khí. Tại modun này, nhóm nghiên cứu thiết kế thêm cột lọc nước trước khi thải ra môi trường.
Cột lọc được thiết kế có cấu trúc hình trụ, được đấu nối trực tiếp tại đường ống thoát ra môi trường. Cột lọc được thiết kế kiểu lọc ngược, nước thải được xả vào phá trên của bể sau đó lắng trong bể, phần nước trong sẽ thẩm thấu qua cột lọc xả ra ngoài môi trường, các chất cặn lắng sẽ lắng đọng lại trong bể.

Hình 8. Mođun lắng lọc NTSH
Ghi chú: 1 - Bể lắng lọc; 2 - đường cấp nước từ bể khử trùng; 3 - cột lọc ngược; 4 - đường xà thải ra môi trường
3.2.1. Chất lượng NTSH sau xử lý
Sau khi hoàn thành các hạng mục thi công của hệ thống xử lý NTSH tại thôn Nà Chiềng, xã Mai Châu, tỉnh Phú Thọ, nhóm nghiên cứu tiến hành vận hành hệ thống xử lý NTSH của cụm dân cư. NTSH được lấy mẫu trước khi xử lý và sau khi xử lý xả thải ra môi trường. Kết quả phân tích chất lượng nước thải trước và sau khi xử lý được tập hợp như sau:
Bảng 2. Chất lượng NTSH tại trạm xử lý NTSH tại thôn Nà Chiềng, xã Mai Châu, tỉnh Phú Thọ trước và sau xử lý
|
STT |
Chỉ tiêu phân tích |
Đơn vị |
Kết quả |
QCVN 14: 2008/BTNMT |
|||
|
Trước xử lý |
Sau xử lý 1 |
Sau xử lý 2 |
Cột A |
Cột B |
|||
|
1 |
pH |
- |
7,84 |
7,42 |
7,81 |
5-9 |
5-9 |
|
2 |
BOD5 |
mg/l |
121,50 |
28,88 |
27,52 |
30 |
50 |
|
3 |
Tổng chất rắn lơ lửng (TSS) |
mg/l |
150,3 |
39,7 |
38,4 |
50 |
100 |
|
4 |
Tổng chất rắn hoà tan (TDS) |
mg/l |
1.120 |
458 |
413 |
500 |
1.000 |
|
5 |
Sunfua (tính theo H2S) |
mg/l |
1,323 |
0,352 |
0,312 |
1 |
4 |
|
6 |
Amoni (tính theo N) |
mg/l |
20,5 |
4,56 |
3,82 |
5 |
10 |
|
7 |
Nitrat (NO3-) tính theo N |
mg/l |
91,2 |
25,51 |
21,14 |
30 |
50 |
|
8 |
Phot phat (PO43-) |
mg/l |
35,5 |
9,69 |
8,77 |
10 |
20 |
|
9 |
Dầu mỡ động, thực vật |
mg/l |
55,1 |
4,48 |
3,94 |
5 |
10 |
|
10 |
Tổng các hoạt chất bề mặt |
mg/l |
24,6 |
5,73 |
4,55 |
6 |
10 |
|
11 |
Tổng Coliform |
MPN/ 100ml |
8.250 |
2.660 |
2.120 |
3.000 |
5.000 |
Kết quả phân tích số liệu Bảng 2 cho thấy, các chỉ tiêu về NTSH tại trạm xử lý NTSH tại thôn Nà Chiềng, xã Mai Châu, tỉnh Phú Thọ trước và sau xử lý đề có sự khác biệt rõ rệt. 10/11 chỉ tiêu về chất lượng nước thải trước xử lý đều cao hơn rất nhiều so với quy định theo QCVN 14: 2008/BTNMT.
Sau khi hệ thống vận hành ổn định, nước thải sau xử lý được lấy 2 lần tại 3 thời điểm khác nhau, kết quả phân tích cho thấy, chất lượng nước thải sau xử lý tại trạm xử lý NTSH tại thôn Nà Chiềng, xã Mai Châu, tỉnh Phú Thọ hoàn toàn đáp ứng mức tiêu chuẩn xả thải cột B của QCVN 14: 2008/BTNMT. Các tải lượng ô nhiễm giảm còn 1/3 đến ¼ so với ban đầu: Hàm lượng TSS từ 150,3 mg/kg sau 2 lần lấy mẫu còn 38,4 mg/kg. Tổng chất rắn hòa tan giảm giảm từ 1.120 mg/l xuống còn 458 mg/lít với lần lấy mẫu thứ nhất và 413 mg/l với lần lấy mẫu thứ hai. Hàm lượng NO3- tính theo N các lần lấy mẫu có tải lượng ô nhiễm giảm dần chứng tỏ càng ngày hệ thống hoạt động càng ổn định và lượng nước ô nhiễm được xử lý hiệu quả hơn theo thời gian. Như vậy, khi qua hệ thống xử lý hàm lượng BOD5, Tổng chất rắn lơ lửng (TSS), Tổng chất rắn hoà tan (TDS) đều đạt tiêu chuẩn cột A của QCVN 14: 2008/BTNMT. Tương tự, các chỉ tiêu Sunfua (tính theo H2S), Nitrat (NO3-) tính theo N, Phot phat (PO43-), Dầu mỡ động, thực vật, Tổng các hoạt chất bề mặt và Tổng Coliform đều đạt tiêu chuẩn cột A của QCVN 14: 2008/BTNMT ở cả lần lấy mẫu.
Như vậy, từ tải lượng ô nhiễm đầu tại xã Mai Châu, tỉnh Phú Thọ vào đã khảo sát cho thấy các tải lượng ô nhiễm cao hơn từ 1,2 đến 4 lần so với cột B của QCVN 14: 2008/BTNMT. Sau xử lý qua hệ thống tải lượng ô nhiễm đã giảm và đạt tiêu chuẩn B của QCVN 14: 2008/BTNMT đạt tiêu chuẩn xả thải ra môi trường… Trong Cột B của QCVN 14: 2008/BTNMT quy định giá trị tối đa cho phép trong NTSH khi thải vào các nguồn nước không dùng cho mục đích cấp nước sinh hoạt (có chất lượng nước tương đương cột B1 và B2 của Quy chuẩn kỹ thuật quốc gia về chất lượng nước mặt hoặc vùng nước biển ven bờ). Tuy nhiên, để sử dụng cho các mục đích tưới hoặc các mục đích sử dụng khác hiện nay chưa được luật BVMT cho phép. Vì vậy, trong giới hạn của mô hình này, nhóm nghiên cứu không đề cập đến sử dụng nguồn nước này cho mục đích tưới tiêu trong nông nghiệp.
|
|
|
Hình 9. Mô hình xử lý NTSH tại thôn Nà Chiềng, xã Mai Châu, tỉnh Phú Thọ
3.2.2. Đánh giá về chi phí vận hành xử lý NTSH của hệ thống
Sau khi vận hành thử hệ thống, kiểm tra chất lượng nước thải, nhóm nghiên cứu tính toán chi phí vận hành của hệ thống để tính ra chi phí cuối cùng vận hành. Các chi phí vận hành bao gồm: tiền điện, chế phẩm vi sinh vật, hóa chất khử trùng và công theo dõi vận hành hệ thống. Hệ thống được tính toán khi vận hành đủ công suất thiết kế là 5 m3/ngày, đêm. Kết quả tính toán được tập hợp tại Bảng 3.
Bảng 3. Chi phí vận hành hệ thống xử lý NTSH tại thôn Nà Chiềng, xã Mai Châu, tỉnh Phú Thọ
|
STT |
Nguồn tính chi phí |
Đơn vị tính |
Thành tiền |
|
1 |
Điện |
vnđ/m3 |
2.013 |
|
2 |
Chế phẩm vi sinh |
vnđ/m3 |
1.500 |
|
3 |
Hóa chất khử trùng |
vnđ/m3 |
800 |
|
4 |
Công vận hành |
vnđ/m3 |
1.333 |
|
Tổng |
5.646 |
||
Trong đó:
Điện năng tiêu thụ được tính bằng tổng lượng điện năng tiêu thụ hằng ngày/lượng nước thải được xử lý. Theo thiết kế, hệ thống xử lý sử dụng máy thổi khí công suất 750 w/h. Lượng điện năng tiêu thụ hằng ngày là 750 x 8 giờ/ngày = 6 kw x 1.678 đ/kw = 10.068 đ. Mỗi ngày hệ thống xử lý công suất 5 m3 nước thải, như vậy chi phí điện tiêu thụ tính trên mỗi m3 nước thải là 2.013 vnđ.
Chế phẩm vi sinh vật sử dụng 1 g/m3 nước thải;
Hóa chất khử trùng sử dụng 10 g/m3 nước thải.
Công vận hành được tính 200.000 đồng/tháng/tổng lượng NTSH được xử lý; bình quân 1 tháng xử lý được 150 m3 nước thải; chi phí nhân công vận hành hệ thống sẽ là 200.000:150 m3 = 1.333 vnđ/m3.
Theo kết quả tính toán, chi phí vận hành của mô hình trung bình là 5.646 đồng/1 m3 nước thải, đây là chi phí vận hành thực tế của mô hình, tuy nhiên, khi mô hình áp dụng đại trà, với công suất thiết kế lớn hơn các chi phí vận hành sẽ giảm đi.
4. Kết luận và kiến nghị
4.1. Kết luận
Hệ thống xử lý nước thải tại xã Mai Châu, tỉnh Phú Thọ với công suất 5 m3/ngày/đêm được thiết kế 5 loại bể bao gồm 1 bể tách dầu mỡ, 6 bể kỵ khí, 2 bể kỵ khí, 1 bể lắng lọc và 1 bể khử trùng với tổng thể tích 73 m3.
Mô hình xử lý NTSH nông thôn bằng hệ thống công nghệ xử lý nước thải qua hệ thống kỵ khí kết hợp hiếu khí đáp ứng được các yêu cầu về hiệu quả xử lý, dễ vận hành, không gây ô nhiễm thứ cấp, chi phí vận hành thấp. NTSH khi qua hệ thống xử lý hàm lượng BOD5, tổng chất rắn lơ lửng (TSS), tổng chất rắn hòa tan (TDS), Sunfua (tính theo H2S), Nitrat (NO3-) tính theo N, Phot phat (PO43-), Dầu mỡ động, thực vật, Tổng các hoạt chất bề mặt và Tổng Coliform đều đạt tiêu chuẩn cột A của QCVN 14: 2008/BTNMT.
Chi phí vận hành của mô hình xử lý NTSH tại thôn Nà Chiềng, xã Mai Châu, Phú Thọ trung bình là 5.646 đồng/1m3/ngày, đêm. Đây là chi phí tương đối thấp, bà con có thể chấp nhận được để tiếp tục duy trì mô hình.
4.2. Kiến nghị
- Nhân rộng mô hình cho các cụm dân cư khác ở Phú Thọ và các tỉnh miền núi.
- Cần hỗ trợ chính sách và kinh phí từ chương trình nông thôn mới để triển khai bền vững.
- Nghiên cứu tích hợp các công nghệ tái sử dụng nước và sản xuất năng lượng từ bùn thải.
Đào Văn Thông1, Đặng Thị Phương Lan1, Cù Thanh Phúc1, Đinh Xuân Tùng1, Bùi Thị Lan Hương1, Đặng Anh Minh1, Đỗ Thị Hồng Dung1, Nguyễn Đức Hiếu1, Mai Văn Trịnh1
1Viện Môi trường Nông nghiệp
(Nguồn: Bài đăng trên Tạp chí Môi trường số Chuyên đề Khoa học - Công nghệ III/2025)
Tài liệu tham khảo
1. Bộ TN&MT (2008). QCVN 14:2008/BTNMT – Quy chuẩn kỹ thuật quốc gia về NTSH. Hà Nội.
2. Bộ NN&PTNT (2021). Quyết định số 318/QĐ-TTg về Bộ tiêu chí quốc gia về xã nông thôn mới giai đoạn 2021 - 2025. Hà Nội.
3. Bộ TN&MT, Báo cáo hiện trạng môi trường Quốc gia năm 2023: Môi trường Nông thôn, Thực trạng và giải pháp.
4. Trần Đức Hạ (2018). Công nghệ xử lý NTSH phân tán và quy mô nhỏ phù hợp với điều kiện Việt Nam. NXB Xây dựng, Hà Nội.
5. Đặng Phương Lan và cộng sự (2024) Viện Môi trường Nông nghiệp: Báo cáo tổng kết nhiệm vụ: Xây dựng mô hình thí điểm xử lý nước thải sinh hoạt quy mô hộ gia đình cấp thôn tại tỉnh Hòa Bình - Chương trình mục tiêu Quốc gia xây dựng NTM.